EC125
スワイプすると表がスクロールします
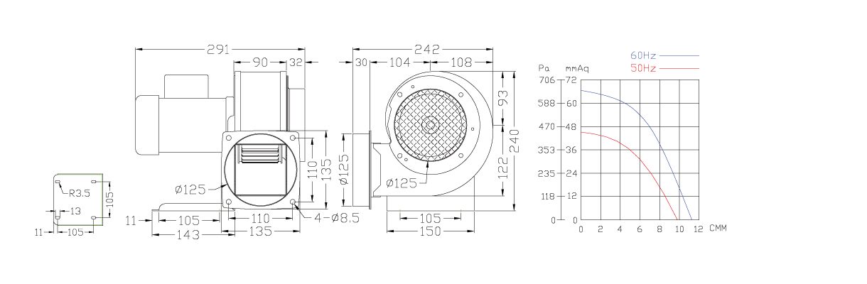
| Part No | 型式 | 電圧 | 周波数 | 位相 | 極数 | 電流 | 馬力 | 回転速度 | 最大風量 | 最大静圧 | 重量 | |
|---|---|---|---|---|---|---|---|---|---|---|---|---|
| V | Hz | Φ | P | A | Watt/HP | R.P.M. | m3/min | mmAq | Pa | kg | ||
| 100 | EC125 | 100 | 50 | 1 | 2 | 2.4/1.2 | 200W | 2800 | 9.5 | 46 | 451 | 6.1 |
| 60 | 3/1.5 | 3480 | 11.6 | 66.6 | 653 | |||||||
| 110 | 200 | 50 | 2.4/1.2 | 2800 | 9.5 | 46 | 451 | |||||
| 60 | 3/1.5 | 3480 | 11.6 | 66.6 | 653 | |||||||
| 120 | 200 / 380 | 50 | 3 | 0.8/0.45 | 2800 | 9.5 | 46 | 451 | ||||
| 60 | 1/0.55 | 3480 | 11.6 | 66.6 | 653 | |||||||
.
| 仕様・特性・外形図 | |
| 外形図 |
【その他のシリーズ】





